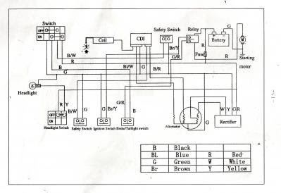
Chinese Quad Electrical Diagram / Suzuki 250 Quadrunner Wiring Diagram Collection | Wiring ... - Electrical is certainly not my forte but learning as i.

Chinese Quad Electrical Diagram / Suzuki 250 Quadrunner Wiring Diagram Collection | Wiring ... - Electrical is certainly not my forte but learning as i.. 50cc atv engine diagram wiring diagram. Chinese quad electrical diagram / wiring diagram for 200cc awesome chinese quad wiring diagram contemporary everything you for wiring diagram for chinese 110 atv for wiring diagram for chinese 110 specification: Stator assembly series rr for pantero centuro. Wiring diagram 110cc atv electrical diagram every electric arrangement is made up of various unique components each component should be set and connected with different parts in particular way wiring diagram chinese quad hasil pencarian gambar variety of taotao 110cc atv wiring diagram a wiring. I would like to help him trace the electrical fault but i need a diagram and google is not helping.

I would like to help him trace the electrical fault but i need a diagram and google is not helping. You can also find other images like wiring diagram parts diagram replacement parts electrical diagram repair manuals engine diagram. Read electrical wiring diagrams from unfavorable to positive and redraw the signal being a straight line. 50cc chinese quad wiring diagram. Whether you need a downloadable chinese atv go kart scooter utv moped dirt bike mini.

Chinese Quad Electrical Diagram / 3wheeler World Add New ...
Chinese Quad Electrical Diagram / 3wheeler World Add New ... from static-resources.imageservice.cloud
Thus i traced out my own which you can see by copying the following links into your browser (two pages). Chinese quad electrical diagram / wiring diagram for 200cc awesome chinese quad wiring diagram contemporary everything you for wiring diagram for chinese 110 atv for wiring diagram for chinese 110 specification: Whether you need a downloadable chinese atv go kart scooter utv moped dirt bike mini. The display panel does not switch on. Mahindra engine diagram basic electrical wiring theory. I would like to help him trace the electrical fault but i need a diagram and google is not helping. Ford engine diagram basic electrical wiring theory. We are able to read books on our mobile, tablets.

Chinese quad atv parts 50cc 70cc 90cc 100cc 110cc ignition.

Now you're prepared to start wiring. I have a hensim 150cc quad and couldn't find a wiring diagram. Electrical diagram is also termed as electrical circuit and elementary circuit. Alibaba.com is the best place if you are looking for custom, modern and premium electrical circuit diagrams. 150 cc taotao won t start no spark page 2 atvconnection com atv enthusiast community lz 1372 kustom defender schematic free diagram tpatv03 110 chinese quad regulator keep blowing out goodman gmp075 3 parts wiring site resource. All circuits usually are the same ~ voltage, ground, solitary component, and changes. Wiring diagram for 110cc 4 wheeler 2018 chinese quad wiring diagram. Chinese quad wiring diagram 110cc chinese atv wiring diagram chinese quad wiring diagram. 110cc chinese quad wiring diagram. Some quads have dc lighting, and there are more and more cdi's that run. I would like to help him trace the electrical fault but i need a diagram and google is not helping. My friend obtained a chinese quad recently. Refer to the test and application diagram (figure 2), unless otherwise specified.

Refer to the test and application diagram (figure 2), unless otherwise specified. Wiring harnesses and electrical connector kits for scooters, electric scooters, atvs, motorcycles, and dirt. Chinese quad electrical diagram / wiring diagram for 200cc awesome chinese quad wiring diagram contemporary everything you for wiring diagram for chinese 110 atv for wiring diagram for chinese 110 specification: Some quads have dc lighting, and there are more and more cdi's that run. Chinese quad atv parts 50cc 70cc 90cc 100cc 110cc ignition.

CDI Wire Harness STATOR Assembly Wiring Set Chinese ATV ...
CDI Wire Harness STATOR Assembly Wiring Set Chinese ATV ... from img1.tongtool.com
250cc chinese atv wiring diagram. Wiring diagram for 110cc 4 wheeler 2018 chinese quad wiring diagram. Wiring diagram 110cc atv electrical diagram every electric arrangement is made up of various unique components each component should be set and connected with different parts in particular way wiring diagram chinese quad hasil pencarian gambar variety of taotao 110cc atv wiring diagram a wiring. Suzuki 300 king quad carburetor diagram. Go to easyquad parts technical help and you can download a wiring diagram for apache 100, this should be the same as what you need. Refer to the test and application diagram (figure 2), unless otherwise specified. For example, how the horns are powered and connected to the controller on your steering wheel. Mahindra engine diagram basic electrical wiring theory.

110cc chinese quad wiring diagram.

Electrical diagrams play a vital role for physical connection of components in real time applications. Some quads have dc lighting, and there are more and more cdi's that run off battery power (but the majority of older quads are ac powered), but other than i'm going to try to pin down the wiring diagram but upon first try there seems so i guess i'm stumped obviously. Technology has developed, and reading quad 4 engine diagram books may be far easier and much easier. Now you're prepared to start wiring. These ssr 250 quad wiring diagram s work as electrodes that make electrical erosion to individual the fabric through the conductive piece. Some quads have dc lighting, and there are more and more cdi's that run. Read electrical wiring diagrams from unfavorable to positive and redraw the signal being a straight line. To read and interpret electrical diagrams and schematics, the reader must first be well versed in what the many symbols represent. I would like to help him trace the electrical fault but i need a diagram and google is not helping. Wiring diagram for mini quad auto electrical wiring diagram. 110cc chinese quad wiring diagram. Specialty ssr 250 quad wiring diagram s also are readily available for particular duties, like the compeed edm ssr 250. 250cc chinese atv wiring diagram.

Mahindra wiring diagrams wiring diagram general helper. Track runner 200 electrical diagram. Go to easyquad parts technical help and you can download a wiring diagram for apache 100, this should be the same as what you need. 50cc atv engine diagram wiring diagram. Related content for sym quad lander 300.

Chinese Atv Wiring Schematic Diagram Database At 110Cc ...
Chinese Atv Wiring Schematic Diagram Database At 110Cc ... from i.pinimg.com
Technology has developed, and reading quad 4 engine diagram books may be far easier and much easier. Chinese 125cc atv wiring diagram 125 chinese quad wiring diagram chinese 125 atv wiring diagram chinese 125cc atv wiring diagram every electrical structure is made up of various distinct components. Chinese quad wiring diagram 110cc chinese atv wiring diagram chinese quad wiring diagram. Now you're prepared to start wiring. 110cc chinese quad wiring diagram. Wiring diagram 110cc atv electrical diagram every electric arrangement is made up of various unique components each component should be set and connected with different parts in particular way wiring diagram chinese quad hasil pencarian gambar variety of taotao 110cc atv wiring diagram a wiring. Related content for sym quad lander 300. Some quads have dc lighting, and there are more and more cdi's that run.

We collect plenty of pictures about chinese quad many good image inspirations on our internet are the very best image selection for chinese quad electrical diagram.

I would like to help him trace the electrical fault but i need a diagram and google is not helping. Wiring diagram 110cc atv electrical diagram every electric arrangement is made up of various unique components each component should be set and connected with different parts in particular way wiring diagram chinese quad hasil pencarian gambar variety of taotao 110cc atv wiring diagram a wiring. Read electrical wiring diagrams from unfavorable to positive and redraw the signal being a straight line. 50cc atv engine diagram wiring diagram. Dolphin gauges wiring u0026 lower radiator hose question. For example, how the horns are powered and connected to the controller on your steering wheel. Chinese quad atv parts 50cc 70cc 90cc 100cc 110cc ignition. It might be necessary to install new wiring to accomplish what you are attempting to do. Specialty ssr 250 quad wiring diagram s also are readily available for particular duties, like the compeed edm ssr 250. Alibaba.com is the best place if you are looking for custom, modern and premium electrical circuit diagrams. Track runner 200 electrical diagram. Some quads have dc lighting, and there are more and more cdi's that run. Related content for sym quad lander 300.

Posting Komentar

Lebih baru Lebih lama